FAG推力深沟球轴承52210轴承公司现货,该轴承是双列推力球轴承,内径:40mm ,外径:78mm, 厚度:39mm,该轴承我公司有现货,需要的朋友请拨打电话:020-86569699
FAG52210双列推力球轴承参数
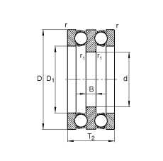
根据 DIN 711/ISO 104 标准的主要尺寸,双向,可分离
d:40 mm D:78 mm T2:39 mm B:9mm D1:52mm
Damax: 61 mm damax:50mm r1min:0,6 mm ramax:1mm ra1:max 0,6 mm
rmin:1mm m ( 质量):0,635 kg Ca(基本额定动载荷,轴向
):50000 N C0a ( 基本额定静载荷,轴向):106000
N A(Z小载荷系数) 0,07 nG (参考转速): 4950 1/min
Cua (疲劳参考载荷,轴向): 4700 N
FAG52210双列推力球轴承图纸
 
|